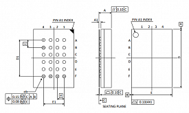
Технические характеристики
| Поставщик | XTX Technology |
| Интерфейс | Parallel |
| Тип устройства | NAND |
| Длина (мм) | 8 |
| Ширина (мм) | 6.5 |
| Статус | ES |
| Корпус | BGA67 |
| Объем | 4 Gbit |
| Площадь корпуса, мм² | 52 |
| Минимальное рабочее напряжение (В) | 2.7 |
| Максимальное рабочее напряжение (В) | 3.6 |
| Нижняя рабочая температура (°С) | -40 |
| Верхняя рабочая температура (°С) | 85 |
Внимание! Точность указанного на сайте описания товара не может быть гарантирована. Для получения более полной и точной информации о товаре смотрите техническое описание (Datasheet) на сайте производителя.